上一页
下一页

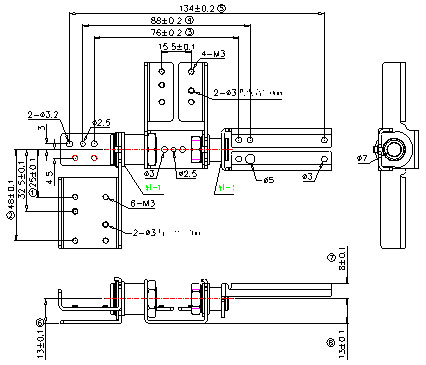
DX-002-13

DX-002-13

技术要求:
1.表面无毛刺,材料和表面处理需环保
2.旋转角度:大轴角度0~299度
3.扭力要求:轴-1平稳值为19-21(Kgf-cm),轴-2平稳值为2.0-2.5(Kgf-cm)。
4.寿命测试:a 打开5000次,每分钟2-3次(一个来回为一次)衰减率 不大于20%;
5.图示角度为0°。


服务热线: 135-8082-4001
产品简介 / Introduction

产品 · 详情product details

技术要求:
1.表面无毛刺,材料和表面处理需环保
2.旋转角度:大轴角度0~299度
3.扭力要求:轴-1平稳值为19-21(Kgf-cm),轴-2平稳值为2.0-2.5(Kgf-cm)。
4.寿命测试:a 打开5000次,每分钟2-3次(一个来回为一次)衰减率 不大于20%;
5.图示角度为0°。

生产 · 实力Productive strength

数控折弯机

数控折弯机

数控冲床

数控冲床

CNC

CNC

激光切割

激光切割

产品组装

产品组装

五金冲压

五金冲压

热品推荐 / Hot product
笔电类转轴

笔电类转轴

笔电类转轴
笔电类转轴

笔电类转轴

笔电类转轴
笔电类转轴

笔电类转轴

笔电类转轴
笔电类转轴

笔电类转轴

笔电类转轴

隆泰为您量身定做提供从研发、设计、生产到售后一站式定制服务

服务热线: 135-8082-4001
    • *

    • 看不清?點擊更換

咨询热线:135-8082-4001

隆泰(东莞)精密五金有限公司 版权所有

粤ICP备2023063524号

联系我们

  • 联系人:徐鑫
  • 移动电话:13580824001
  • 电话:0769-87770052
  • 地 址:东莞市石排镇石排龙田路301号1号楼501室

扫一扫 加微信

  • 业务经理微信